Xush kelibsizUzum Market!
титульная страница > Aksessuarlar > Elektr motori 3CV 4 orollari. Beivolt iP55 Yl100l1 Lynus
Sevimli mahsulot

Elektr motori 3CV 4 orollari. Beivolt iP55 Yl100l1 Lynus

narx 3709514.0 so'm
Yetkazib berish narxi:Bepul etkazib berish Bozori chaqqon:0 Mukofot:0Ball to'plang
miqdori
Inventarizatsiya23Bo'lak
  Hozir xarid qilish Orzin qo'shing
Yangi mahsulot

Savdo reytingi

Tavsif

4p bitta fazali elektr motor 3.0hp iP44 yl100l1-4 lynus

Elektr motor 4 Yagona qutblar 3.0hp iP44 yl100l1-4 00011268.1 Lynus
Kompressorlar, metallar, muxlislar, uy-joy, yog'och, yasalgan beton, burg'ulashlar uchun mos keladi.
Himoya darajasi: ABNT NBR 60529 va IEC 60034-5 bo'yicha IP 44 iP
Chang va suv chayqalishi bilan qo'llaniladigan ajoyib tanlov;
Konstruktiv shakl: ABNT / IEC 60034-7-ga ko'ra B3T. O'rnatishning ulanish oynasi o'rnatishni osonlashtiradi;
Izolyatsiya: b (130C);
Tana go'shti: ABNT NBR 15623-1 va IEC 60072-1 xabariga ko'ra;

Texnik ma'lumotlar:
Model: Yl100L1-4
Rang: mot qora
Kod: 00011268.1
Quvvat (kVt) (CV): 2.0 | 3.0
Kuchlanish (V) (Notomokratik): 127/220
Tana go'shti: 100L
N tirgovlar: 4 tirgak
Aylanish (RPM): 1755
Freq. (Hz): 60
Xizmat faktori (FS): 1.15
220V: 14.0 da nominal oqim
Nominal moment (N.M): 11.8
Boshlash / nominal (n.m): 2.1
Maksimal / nominal (n.m): 2.6
Maks vaqti.

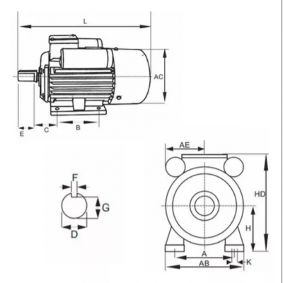
Qarablar:
Javob: 160, B: 140, d: 19.05, 19.05, E: 57.1, F: 976, g: 16,1, K: 1
AB: 205, AC: 220, AE: 130, HD: 260, L: 432.9
Oldindan podshipniklar: 6206 2rs

Brend: Lynus
Rek: 00011268.1

* Adabiy tasvirlar.


0

Yozmoq